
Tecnologia S6
Interfaccia telematica universale per sensori veicolari
Caratteristiche S6
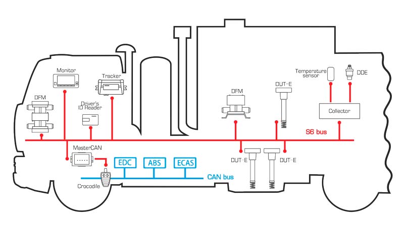
S6 è un sistema di cavi e protocolli basato su SAE J1939 progettato per raccogliere informazioni da sensori esterni o dispositivi periferici in congiunzione con l'acquisizione di dati di uno o più sistemi.
- Per gli integratori di sistemi La possibilità di controllare un gran numero di parametri del veicolo con un unico dispositivo di monitoraggio. Significativa espansione delle funzionalità. Attrezzatura a bordo modulare ed estesa. Controllo completo di macchine complesse.
- Per gli ingegneri di circuiti Un'opportunità per lasciare il bus CAN come singola interfaccia in un dispositivo di monitoraggio.
- Per i programmatori Un'aggiunta ricca di dati ai protocolli standard. Facile integrazione di sensori e periferiche.
- Per gli specialisti dell'installazione Un sistema separato appositamente progettato per le applicazioni di telematica. Un punto singolo di connessione di alimentazione. Basso rischio di errori di installazione.

Video e presentazioni
Video sull'interfaccia telematica S6




